• Carbon Steel Thread Flange, RF, Golden, PN150
Carbon Steel Thread Flange, RF, Golden, PN150

Key Specifications / Features

Model No.: LF 14 TF 02 Hits: 2042

China Carbon Steel RF Thread Flange: PN150 Carbon Steel Golden Thread Flange, ASTM A105 LF2, PN25, ANSI B16.5, BS 4504, EN 1092, DIN 2502, DN15-150.
Request a quote Share

Detail Information

Product: RF Carbon Steel Thread Flange. 
Type: Thread Flange. 
Materials: ASTM A105, Carbon Steel. 
Grades: LF2. 
Face: RF. 
Standard: ANSI B16.5, BS 4504, EN 1092-1, DIN 2502. 
Pressure: PN150 (900LB). 
Size: 1/2-6 Inch (DN15-DN150). 
Surface Finish: Golden. 
Carbon Steel Thread Flange, RF, Golden, PN150 - Landee Flange
Rated
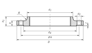
Diameter
d1 Flange Neck Raised face Screws Weight
(7,85 Kg/dm3)
Thread D b k h1 d3 d4 f Number Thread d2 Kg
15 21,3 R 1/2 80 12 55 20 30 40 2 4 M 10 11 0,373
20 26,9 R 3/4 90 14 65 24 40 50 2 4 M 10 11 0,59
25 33,7 R 1 100 14 75 24 50 60 2 4 M 10 11 0,743
32 42,4 R 1 1/4 120 14 90 26 60 70 2 4 M 12 14 1,05
40 48,3 R 1 1/2 130 14 100 26 70 80 3 4 M 12 14 1,2
50 60,3 R 2 140 14 110 28 80 90 3 4 M 12 14 1,37
65 76,1 R 2 1/2 160 14 130 32 100 110 3 4 M 12 14 1,92
80 88,9 R 3 190 16 150 34 110 128 3 4 M 16 18 2,82
100 114,3 R 4 210 16 170 38 130 148 3 4 M 16 18 3,19
125 139,7 R 5 240 18 200 40 160 178 3 8 M 16 18 4,47
150 165,1 R 6 265 18 225 44 185 202 3 8 M 16 18 5,3

Similar Products